Deutsch
Startseite Produkte Sensors Position Sensors MK28 Serie Reedsensor

MK28 Serie Reedsensor

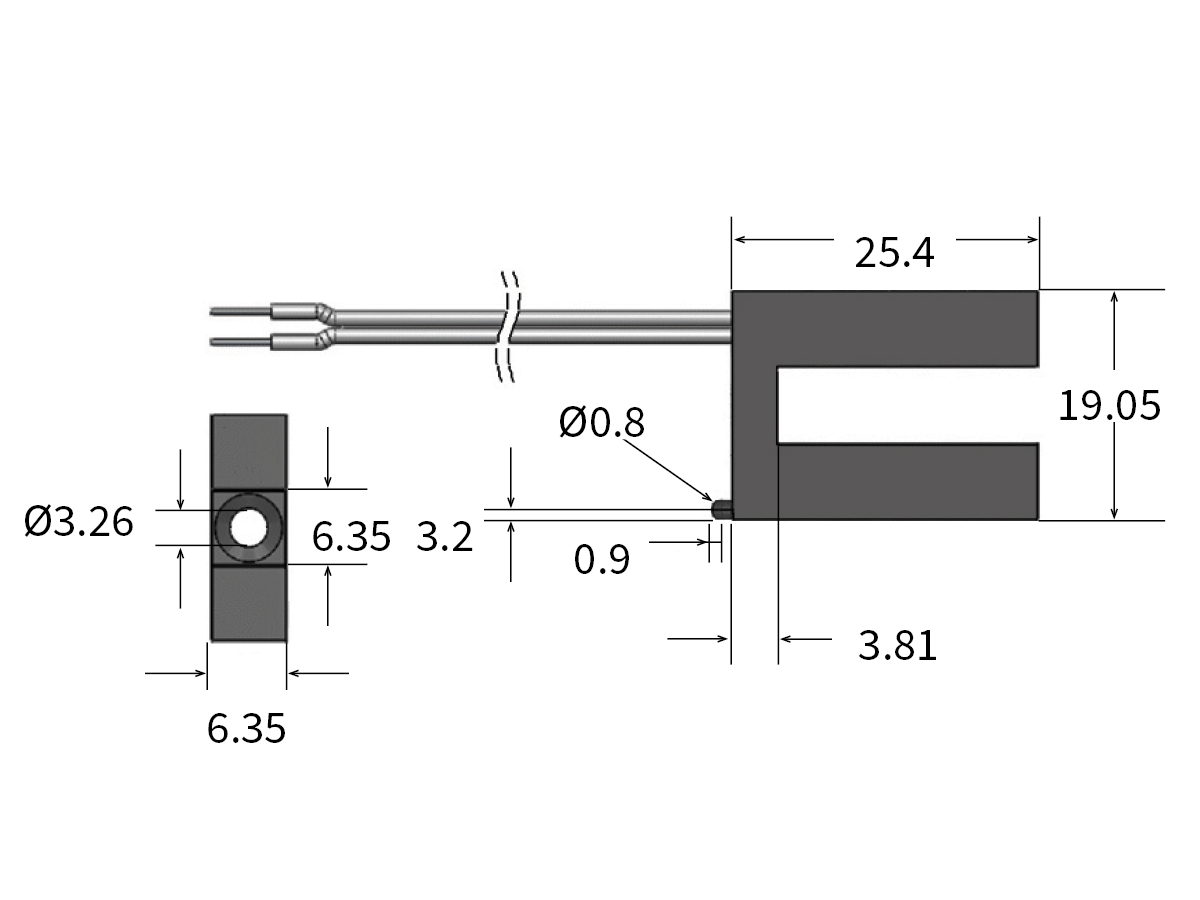
Die Serie MK28 ist ein magnetisch leitfähiger Reed-Sensor in einem rechteckigen Flanschgehäuse, der für zuverlässige magnetische Abtastung in der Automobil-, Industrieautomation und Robotik entwickelt wurde. Die robuste Konstruktion und die flexiblen Kabelkonfigurationen machen sie ideal für die Positions-, Bewegungs- und Näherungserfassung in anspruchsvollen Umgebungen.

Die Serie MK28 bietet eine robuste magnetische Abtastung mit präziser Flügelzellenbetätigung und ist damit eine zuverlässige Lösung für OEMs und Ingenieure, die in rauen oder mechanisch aktiven Umgebungen arbeiten.

Normen und Zertifizierungen

RoHS-konform
  • Flügelzellenabtastung für präzise Betätigung
  • Schraubflanschbefestigung für sicheren Einbau
  • Rechteckiges Gehäuse mit runden Anschlussdrähten
  • UL-geprüft und IP-zertifiziert für lange Lebensdauer in der Umwelt
  • Anpassbarer Schaltertyp, Kabellänge und Anschluss
Kontaktform1A (SPST) Normalerweise offen (N.O.), 1B (SPST) Normalerweise geschlossen (N.C.), 1C (SPDT) Umschalter
ArbeitsbereichGenau
Nennleistung Max.10W/175VDC/0,5A
  • Automobilsysteme
  • Industrielle Automatisierungsanlagen
  • Robotik und Bewegungssteuerung
  • Cursor-Erkennung von Wasserzählern
  • Verriegelungssysteme
  • Positions- und Näherungssensorik

Kontaktieren Sie Standex Detect