Optokoppler der Serie 535
Die Optokoppler der Serie 535 sind hochisolierende Solid-State-Geräte, die für die galvanische Trennung in eigensicheren und hochzuverlässigen Schaltungen entwickelt wurden. Mit einer Mindestisolationsspannung von 4.000 VDC und einem Isolationswiderstand von bis zu 10¹³ Ω gewährleisten diese Optokoppler eine sichere und stabile Signalübertragung zwischen Eingang und Ausgang, selbst in gefährlichen oder elektrisch verrauschten Umgebungen.
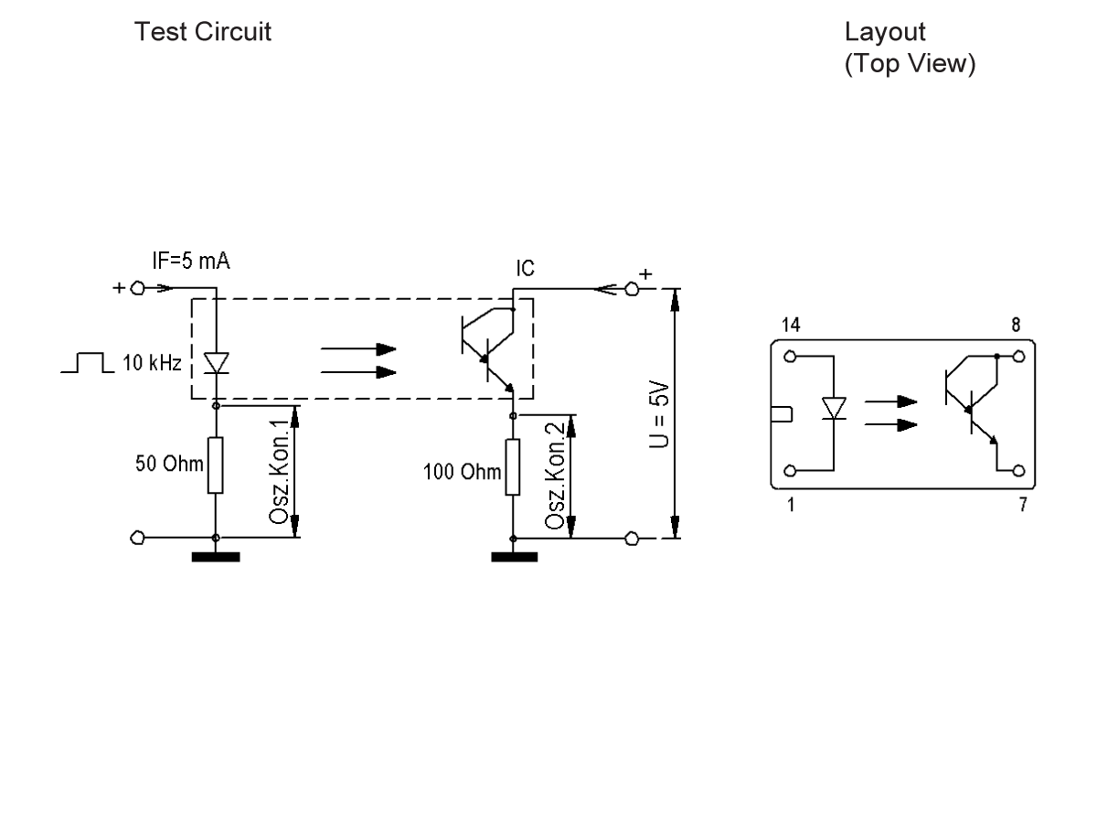
Die nach ATEX- und IECEx-Normen zertifizierte Serie 535 unterstützt sowohl die analoge als auch die digitale Signalübertragung mit minimaler Koppelkapazität und schnellem Schaltverhalten. Ein integrierter Fotodiodenausgang ermöglicht kurze Zykluszeiten und Signalumkehrung, während das nicht-mechanische Design eine lange Lebensdauer und Unempfindlichkeit gegenüber Magnetfeldern gewährleistet.
Mit einer Kriech- und Luftstrecke von 14,5 mm erfüllt die Serie 535 strenge Sicherheitsanforderungen und ist ideal für den Einsatz in Bereichen mit brennbaren Gasen, in medizinischen Systemen und in der industriellen Automatisierung.
Schutzart: II (1) G [Ex ia Ga] II C
In Übereinstimmung mit: EN 60079-0, EN 60079-11
Normen und Zertifizierungen
- ATEX- und IECEx-zertifiziert für den Einsatz in explosiven oder gefährlichen Umgebungen
- Galvanische Isolierung bis zu 4.000 VDC zwischen Eingang und Ausgang
- Hoher Isolationswiderstand bis zu 10¹³ Ω
- Unterstützt analoge und digitale Signalübertragung
- Schnelle Schaltzeiten (typ. 19,5 µs ein / 212 µs aus)
- Minimale Koppelkapazitäten für saubere Signaltrennung
- Fähigkeit zur Signalinvertierung für flexible Steuerlogik
- Nicht-mechanisches Schalten für lange Betriebsdauer
- Unempfindlich gegenüber Magnetfeldern und Umgebungsstörungen
- Kriech- und Luftstrecken von 14,5 mm für erhöhte Sicherheit
| Isolationsspannung Eingang/Ausgang min. (VDC) | 4000 |
| Stromübertragungsverhältnis lc/lf (lf = 10mA) Min. | 3 |
| Einschalt-/Ausschaltzeit (µsec) | 19.5/212 |
| Kollektor-Emitter-Spannung (VDC) Max. | 32 |
| Kriechstrecke, Luftweg I/O Min. (mm) | 14.5 |
| Umgebungstemperatur °C | -40 bis 85 |
- Öl und Gas: Signaltrennung in Steuerungssystemen für entflammbare Umgebungen
- Bergbau: Sicheres Schalten in explosionsgefährdeten Bereichen
- Medizinische Geräte: ESD-resistente Signaltrennung in empfindlichen Geräten
- Test und Messung: Hochgeschwindigkeits-Signalübertragung in Präzisionsinstrumenten
- Automatisierungstechnik: Galvanische Trennung in industriellen Steuerschaltungen
- Energie- und Leistungssysteme: Isolierung in erneuerbaren und konventionellen Energiesystemen
- Prozesssteuerung: Sichere Signalführung in gefährlichen Produktionsumgebungen
Keine Ergebnisse gefunden
