Optokoppler der Serie 530-70
Die Optokoppler der Serie 530-70 sind hochisolierende Solid-State-Geräte, die für die galvanische Trennung in eigensicheren und Hochspannungsstromkreisen entwickelt wurden. Mit einer Mindestisolationsspannung von 22.000 VDC, einem Isolationswiderstand von bis zu 10¹² Ω und einem Kriech-/Luftpfadabstand von 39 mm erfüllen diese Optokoppler die höchsten Sicherheitsstandards für gefährliche Umgebungen.
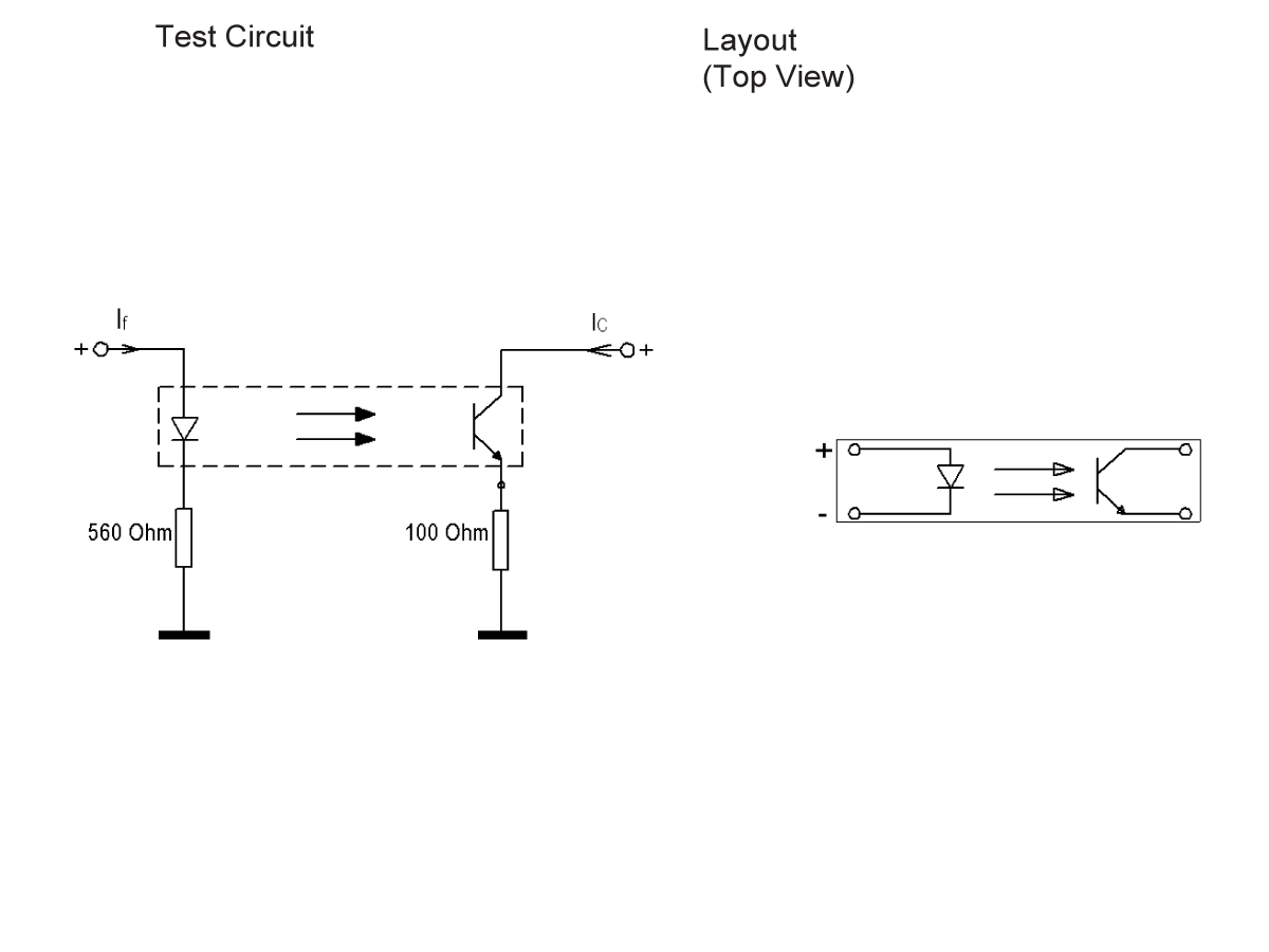
Die Serie 530-70 unterstützt sowohl die analoge als auch die digitale Signalübertragung und zeichnet sich durch schnelle Schaltzeiten (5,5 µs ein / 4,2 µs aus), minimale Koppelkapazitäten und einen Fotodiodenausgang für kurze Zykluszeiten aus. Das nicht-mechanische Design gewährleistet eine lange Lebensdauer und Unempfindlichkeit gegenüber Magnetfeldern, wodurch sie sich ideal für Anwendungen eignen, bei denen Zuverlässigkeit und Sicherheit entscheidend sind.
Diese Optokoppler eignen sich hervorragend für den Einsatz in Bereichen mit entflammbaren Gasen, medizinischen Systemen, im Bergbau und in der industriellen Automatisierung, wo eine robuste Isolierung und Signalintegrität erforderlich ist.
Normen und Zertifizierungen
- Galvanische Isolierung bis zu 22.000 VDC zwischen Eingang und Ausgang
- Hoher Isolationswiderstand bis zu 10¹² Ω
- Unterstützt analoge und digitale Signalübertragung
- Schnelle Schaltzeiten (5,5 µs ein / 4,2 µs aus)
- Minimale Koppelkapazitäten für saubere Signaltrennung
- Fähigkeit zur Signalinvertierung für flexible Steuerlogik
- Nicht-mechanisches Schalten für lange Betriebslebensdauer
- Unempfindlich gegenüber Magnetfeldern und Umgebungsstörungen
- Erweiterte Kriech- und Luftstrecke von 39 mm für erhöhte Sicherheit
- Grenzfrequenz von bis zu 100 kHz für reaktionsschnelle Signalverarbeitung
| Isolationsspannung Eingang/Ausgang min. (VDC) | 22,000 |
| Stromübertragungsverhältnis lc/lf (lf = 10mA) Min. | 0.8% |
| Abschaltfrequenz | 100kHz |
| Einschalt-/Ausschaltzeit (µsec) | 5.5 / 4.2 |
| Kollektor-Emitter-Spannung (VDC) Max. | 32 |
| Kriechstrecke, Luftweg I/O Min. (mm) | 39 |
| Umgebungstemperatur °C | -40 bis +85 |
- Öl und Gas: Signaltrennung in Steuerungssystemen für entflammbare Umgebungen
- Bergbau: Sicheres Schalten in explosionsgefährdeten Bereichen
- Medizinische Geräte: ESD-resistente Signaltrennung in empfindlichen Geräten
- Test und Messung: Hochgeschwindigkeits-Signalübertragung in Präzisionsinstrumenten
- Automatisierungstechnik: Galvanische Trennung in industriellen Steuerschaltungen
- Energie- und Leistungssysteme: Isolierung in erneuerbaren und konventionellen Energiesystemen
- Prozesssteuerung: Sichere Signalführung in gefährlichen Produktionsumgebungen
Keine Ergebnisse gefunden
