Optokoppler der Serie 528
Die Optokoppler der Serie 528 sind hochisolierende Solid-State-Geräte, die für die galvanische Trennung in eigensicheren Stromkreisen und anderen hochzuverlässigen Anwendungen entwickelt wurden. Mit einer Mindestisolationsspannung von 10.000 VDC und einem Isolationswiderstand von bis zu 10¹² Ω gewährleisten diese Optokoppler eine sichere und stabile Signalübertragung zwischen Eingang und Ausgang, selbst in Umgebungen mit entflammbaren Gasen oder hohem elektrischem Rauschen.
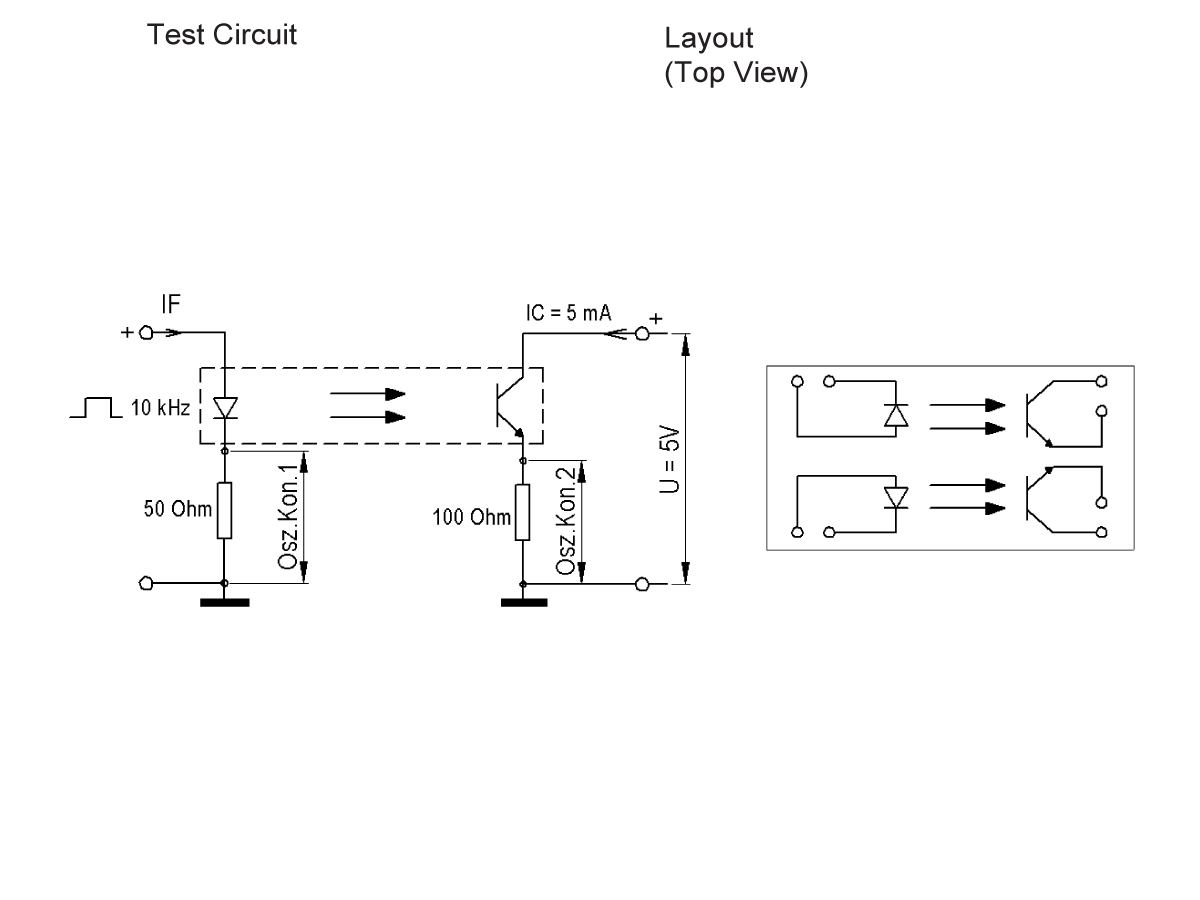
Die Serie 528 unterstützt sowohl die analoge als auch die digitale Signalübertragung und zeichnet sich durch schnelle Schaltzeiten (5,5 µs ein / 4,2 µs aus), minimale Koppelkapazitäten und einen Fotodiodenausgang für kurze Zykluszeiten aus. Das nicht-mechanische Design gewährleistet eine lange Lebensdauer und Unempfindlichkeit gegenüber Magnetfeldern, während die erweiterte Kriech- und Luftstrecke von 42 mm die strengen Sicherheitsanforderungen erfüllt.
Diese Optokoppler sind ideal für den Einsatz in gefährlichen Umgebungen und industriellen Systemen, die eine hohe Isolierung und zuverlässige Leistung erfordern.
Normen und Zertifizierungen
- Galvanische Isolierung bis zu 10.000 VDC zwischen Eingang und Ausgang
- Hoher Isolationswiderstand bis zu 10¹² Ω
- Unterstützt analoge und digitale Signalübertragung
- Schnelle Schaltzeiten (5,5 µs ein / 4,2 µs aus)
- Minimale Koppelkapazitäten für saubere Signaltrennung
- Fähigkeit zur Signalinvertierung für flexible Steuerlogik
- Nicht-mechanisches Schalten für lange Betriebslebensdauer
- Unempfindlich gegenüber Magnetfeldern und Umgebungsstörungen
- Erweiterte Kriech- und Luftstrecke von 42 mm für verbesserte Sicherheit
- Zwei Optokoppler in einem Gehäuse für kompakte Integration
| Isolationsspannung Eingang/Ausgang min. (VDC) | 10000 |
| Stromübertragungsverhältnis lc/lf (lf = 10mA) Min. | 0.9 |
| Einschalt-/Ausschaltzeit (µsec) | 5.5/4.2 |
| Kollektor-Emitter-Spannung (VDC) Max. | 70 |
| Kriechstrecke, Luftweg I/O Min. (mm) | 42 |
| Umgebungstemperatur °C | -40 bis 85 |
- Öl und Gas: Signaltrennung in Steuerungssystemen für entflammbare Umgebungen
- Bergbau: Sicheres Schalten in explosionsgefährdeten Bereichen
- Medizinische Geräte: ESD-resistente Signaltrennung in empfindlichen Geräten
- Test und Messung: Hochgeschwindigkeits-Signalübertragung in Präzisionsinstrumenten
- Automatisierungstechnik: Galvanische Trennung in industriellen Steuerschaltungen
- Energie- und Leistungssysteme: Isolierung in erneuerbaren und konventionellen Energiesystemen
- Prozesssteuerung: Sichere Signalführung in gefährlichen Produktionsumgebungen
Keine Ergebnisse gefunden
