Optokoppler der Serie 522
Die Optokoppler der Serie 522 sind kompakte, hochisolierende Solid-State-Geräte, die für die galvanische Trennung sowohl in eigensicheren als auch in allgemeinen Schaltkreisen entwickelt wurden. Mit einer Mindestisolationsspannung von 4.000 VDC gewährleisten diese Optokoppler eine sichere und zuverlässige Signalübertragung zwischen Eingangs- und Ausgangsstromkreisen, selbst in Umgebungen mit hohem elektrischem Rauschen oder potenziellen Zündgefahren.
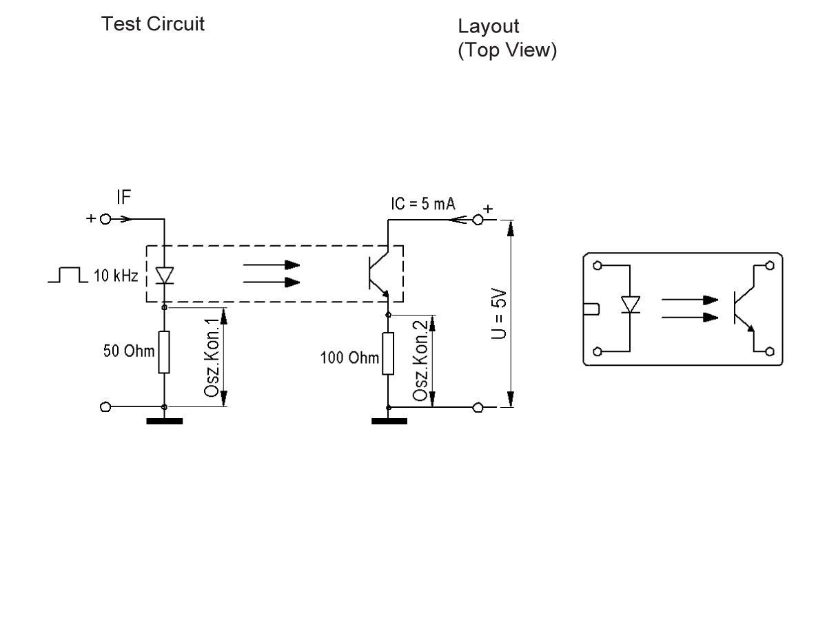
Die Serie 522 ist nach den ATEX- und IECEx-Normen zertifiziert und eignet sich für den Einsatz in explosionsgefährdeten Bereichen. Sie unterstützt sowohl analoge als auch digitale Signalübertragung mit schnellen Schaltzeiten (bis zu 2,6 µs Ausschaltzeit) und minimaler Koppelkapazität. Die Serie verfügt über einen Fotodiodenausgang für kurze Zykluszeiten und kann Signale während der Übertragung invertieren, was Flexibilität für komplexe Steuersysteme bietet.
Die kompakte Grundfläche, der hohe Isolationswiderstand (bis zu 10¹² Ω) und die robuste Konstruktion machen sie ideal für anspruchsvolle industrielle Anwendungen, bei denen Zuverlässigkeit und Sicherheit an erster Stelle stehen.
Schutzart: II (1) G [Ex ia Ga] II C
In Übereinstimmung mit: EN 60079-0, EN 60079-11
Normen und Zertifizierungen
- ATEX- und IECEx-zertifiziert für den Einsatz in gefährlichen Umgebungen
- Galvanische Isolierung bis zu 4.000 VDC zwischen Eingang und Ausgang
- Unterstützt analoge und digitale Signalübertragung
- Schnelle Schaltzeiten (typ. 5,5 µs ein / 4,2 µs aus)
- Hoher Isolationswiderstand bis zu 10¹² Ω
- Minimale Koppelkapazitäten für saubere Signaltrennung
- Kompakte Bauform mit 12 mm Kriech- und Luftstrecken
- Nichtmechanisches Schalten für lange Lebensdauer
- Unempfindlich gegenüber Magnetfeldern und Umgebungsstörungen
- Signalinvertierung für flexible Logiksteuerung
| Isolationsspannung Eingang/Ausgang min. (VDC) | 4000 |
| Stromübertragungsverhältnis lc/lf (lf = 10mA) Min. | 0.5 |
| Einschalt-/Ausschaltzeit (µsec) | 3.5/2.6 |
| Kollektor-Emitter-Spannung (VDC) Max. | 32 |
| Kriechstrecke, Luftweg I/O Min. (mm) | 12 |
| Umgebungstemperatur °C | -40 bis 85 |
- Öl und Gas: Signaltrennung in Steuerungssystemen für entflammbare Umgebungen
- Bergbau: Sicheres Schalten in explosionsgefährdeten Bereichen
- Medizinische Geräte: ESD-resistente Signaltrennung in empfindlichen Geräten
- Test und Messung: Hochgeschwindigkeits-Signalübertragung in Präzisionsinstrumenten
- Automatisierungstechnik: Galvanische Trennung in industriellen Steuerschaltungen
- Energie- und Leistungssysteme: Isolierung in erneuerbaren und konventionellen Energiesystemen
- Prozesssteuerung: Sichere Signalführung in gefährlichen Produktionsumgebungen
Keine Ergebnisse gefunden
